Visão geral
Este é um servomotor rotativo AC acoplado a engrenagens da série MELSERVO J5 da Mitsubishi Electric. Ele possui um eixo com chaveta e um codificador absoluto embutido de 26 bits, juntamente com um redutor de engrenagem padrão de relação 1/59.
O motor oferece uma potência de saída nominal de 7000W (7kW) e opera em uma classe de tensão de alimentação de 200Vac. Seu torque nominal é de 33.4Nm e a velocidade de rotação nominal é de 2000rpm.
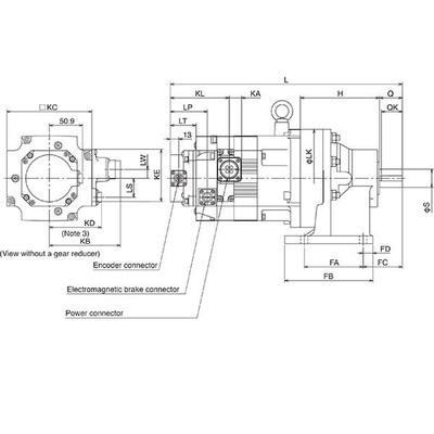
Projetado para montagem com flange de 176x176mm e base para fixação no lado de saída do redutor, este motor apresenta um grau de proteção IP67 e é classificado para operar em temperaturas ambientes de 0 a 60°C.
Principais recursos
- Servomotor rotativo AC acoplado a engrenagens
- Eixo com chaveta
- Codificador absoluto embutido de 26 bits
- Redutor de engrenagem padrão 1/59
- Potência de saída nominal de 7kW
- Torque nominal de 33.4Nm
- Velocidade de rotação nominal de 2000rpm
- Flange de 176x176mm com montagem em base
- Grau de proteção IP67
- Codificador absoluto sem bateria
- Conectores com trava de um toque para codificador, freios eletromagnéticos e alimentação
Especificações
| Parâmetro | Valor |
|---|---|
| Marca primária | Mitsubishi Electric |
| Função principal | Servomotor AC |
| Série / nome da família do produto | Série MELSERVO J5 |
| Nome da subgama | Série HK-ST |
| Funções | Servomotor rotativo AC acoplado a engrenagens / motor de engrenagem |
| Design | Eixo com chaveta, codificador absoluto embutido (26 bits), redutor de engrenagem padrão 1/59, montagem em base, estrutura totalmente fechada com refrigeração natural (TENC), capacidade de inércia média / potência média, refrigeração natural |
| Tensão de alimentação (AC) | Classe 200Vac |
| Corrente nominal | 28A (com amplificador de 200Vac) |
| Potência ativa nominal (kW) | 7000W / 7kW |
| Velocidade de rotação | 2000rpm 3000rpm (máxima) |
| Torque | 33.4Nm nominal |
| Torque máximo | 100.2Nm |
| Momento de inércia | 0.022kg.m² (220kg.cm²) |
| Modo de montagem | Flange de 176x176mm com montagem em base (saída do redutor) |
| Resolução | Codificação de feedback de 26 bits (equivalente a 67108864ppr) |
| Grau de proteção | IP67 |
| Dimensões | A465mm x L530mm x P747.5mm |
| Altura líquida (mm) | 465 mm |
| Largura líquida (mm) | 530 mm |
| Profundidade líquida (mm) | 747.5 mm |
| Temperatura do ar ambiente para operação | 0…+60 °C |
| Temperatura do ar ambiente para armazenamento | -25°C…+70 °C |
| Carga radial máxima | 22540 N |
| Carga axial máxima | 19600 N |
| Corrente máxima | 102 A |
| Código de pedido / SKU do fabricante | HK-ST702G1H 1/59 |
| Status do produto do fabricante | Comercializado |
| Equivalente a | HKST702G1H159 |
| Em conformidade com padrão(ões) | Marca CE, TUV Rheinland, UKCA, cURus, EN60034-1, EN61800-3, EN63000, UL, CSA |
| Benefícios | Codificador de posição absoluto sem bateria, cabos para codificador, freios eletromagnéticos e alimentação equipados com trava de um toque. |
| Relação de engrenagem | 1/59 (redutor) |
Documentos
Para obter o melhor desempenho e compatibilidade, recomenda-se o uso dos amplificadores e cabos de conexão especificados na seção de acessórios. Consulte a documentação técnica para detalhes de instalação e configuração.
Entre em contato conosco para mais informações sobre este produto.


