### Especificações | Parâmetro | Valor | | :—————————————– | :—————————————————- | | Marca principal | Mitsubishi Electric | | Função principal | Servomotor AC | | Série / família de produto | MELSERVO J5 series | | Nome da sub-gama | HK-ST series | | Funções | Servomotor AC com engrenagem / Motorredutor rotativo | | Design | Eixo chavetado, freio e/m embutido, encoder absoluto (26 bits) embutido, engrenagem padrão 1/6, montagem com pés, estrutura de refrigeração natural (TENC), capacidade de inércia/potência média, refrigeração natural | | Tensão de alimentação (AC) | Classe 200Vac | | Corrente nominal | 28A (com amplificador de 200Vac) | | Potência ativa nominal (kW) | 7000W / 7kW | | Velocidade rotacional | 2000rpm, 3000rpm (máxima) | | Torque | 33.4Nm nominal | | Torque máximo | 100.2Nm | | Momento de inércia | 0.0136kg.m² (136kg.cm²) | | Modo de montagem | Flange de 176x176mm com montagem com pés (saída da caixa de engrenagens) | | Resolução | Feedback de 26 bits (equivalente a 67108864ppr) | | Grau de proteção | IP67 | | Dimensões | A341mm x L410mm x P621.5mm | | Altura líquida (mm) | 341 mm | | Largura líquida (mm) | 410 mm | | Profundidade líquida (mm) | 621.5 mm | | Temperatura ambiente para operação | 0…+60 °C | | Temperatura ambiente para armazenamento | -25°C…+70 °C | | Carga radial máxima | 7526 N | | Carga axial máxima | 5000 N | | Corrente máxima | 102 A | | Código de pedido / SKU do fabricante | HK-ST702BG1H 1/6 | | Status do produto do fabricante | Comercializado | | Equivalente a | HKST702BG1H16 | | Em conformidade com as normas | Marcação CE, TUV Rheinland, UKCA, cURus, EN60034-1, EN61800-3, EN63000, UL, CSA | | Benefícios | Encoder de posição absoluto sem bateria, cabos para encoder, freios eletromagnéticos e alimentação equipados com trava de um toque | | Relação de engrenagem | 1/6 (caixa de engrenagens) |—SEPARATOR—### Documentos * [Mitsubishi Electric – MELSERVO J5 series – Catalogue.pdf](https://cdn.kyklo.co/assets/W1siZiIsIjIwMjIvMDIvMTAvMTQvNTAvMzIvZTdhOWNmMmYtZGMwMy00MmY5LThkYjAtNWJhMDE0NjE1YTBiL01pdHN1YmlzaGklMjBFbGVjdHJpYyUyMC0lMjBNRUxTRVJWTyUyMEo1JTIwc2VyaWVzJTIwLSUyMENhdGFsb2d1ZS5wZGYiXV0?sha=e046f8c1c2704252) Para o uso deste produto, amplificadores da série MR-J5 são recomendados, como o MR-J5-700A-RJ, MR-J5-700G-RJ e MR-J5-700G-RJN1. Cabos de interligação entre amplificador e motor (encoder) com vida útil padrão e para aplicações com maior flexão estão disponíveis em diversas metrolgias. Cabos para encoders no lado da carga também estão disponíveis. Entre em contato conosco para mais informações. https://mokka-sensors.com.br/#contato
Especificações
| Parâmetro | Valor |
|---|---|
| Primary brand | Mitsubishi Electric |
| Main function | AC servo motor |
| Product series / family name | MELSERVO J5 series |
| Sub-range name | HK-ST series |
| Functions | AC geared rotary servo motor / gearmotor |
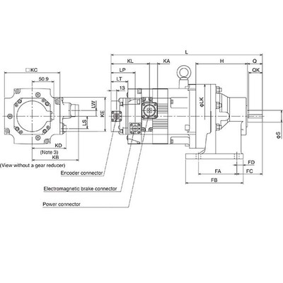
| Design | keyed shaft built-in e/m brake built-in absolute feedback encod. (26-bit) 1/6 standard gearhead foot mounting Totally Enclosed Natural Cooling (TENC) structure medium inertia / medium power capacity natural cooling |
| Supply voltage (AC) | 200Vac class |
| Rated current | 28A (with 200Vac amplif.) |
| Rated active power (kW) | 7000W / 7kW |
| Rotational speed | 2000rpm 3000rpm (maximum) |
| Torque | 33.4Nm nominal |
| Maximum torque | 100.2Nm |
| Moment of inertia | 0.0136kg.m2 (136kg.cm2) |
| Mounting mode | 176x176mm flange size with foot mounting (grbx. output) |
| Resolution | 26-bit (equivalent to 67108864ppr) feedback |
| Degree of protection | IP67 |
| Dimensions | H341mm x W410mm x D621.5mm |
| Net Height (mm) | 341 mm |
| Net Width (mm) | 410 mm |
| Net Depth (mm) | 621.5 mm |
| Ambient air temperature for operation | 0…+60 °C |
| Ambient air temperature for storage | -25°C…+70 °C |
| Maximum radial load | 7526 N |
| Maximum axial load | 5000 N |
| Maximum current | 102 A |
| Order code / Manufacturer SKU | HK-ST702BG1H 1/6 |
| Manufacturer product status | Commercialized |
| Equivalent to | HKST702BG1H16 |
| Compliant with standard(s) | CE marking TUV Rheinland UKCA cURus EN60034-1 EN61800-3 EN63000 UL CSA |
| Benefits | batteryless absolute position encoder the cables for the encoder; the electromagnetic brakes and the pwr. are equipped with one-touch lock |
| Gear ratio | 1/6 (gearhead) |
| Recommended accessories | for standard torque use amplifiers – MR-J5-700A-RJ – MR-J5-700G-RJ – MR-J5-700G-RJN1 Use amplifier motor cables as follows – Encoder cable for HK-ST — Standard bending life –> 2m ( MR-J3ENSCBL2M-L ) –> 5m ( MR-J3ENSCBL5M-L ) — Long bending life –> 2m ( MR-J3ENSCBL2M-H ) –> 5m ( MR-J3ENSCBL5M-H ) –> 10m ( MR-J3ENSCBL10M-H ) –> 15m ( MR-J3ENSCBL15M-H ) –> 17m ( MR-J3ENSCBL17M-H ) –> 20m ( MR-J3ENSCBL20M-H ) –> 30m ( MR-J3ENSCBL30M-H ) –> 40m ( MR-J3ENSCBL40M-H ) –> 50m ( MR-J3ENSCBL50M-H ) –> 60m ( MR-J3ENSCBL60M-H ) – Encoder cable for connecting a load-side encoder — Standard bending life –> 2m ( MR-EKCBL2M-H ) –> 5m ( MR-EKCBL5M-H ) |


