Principais recursos
- Servo motor rotativo AC com engrenagem
- Eixo estriado
- Freio eletromecânico integrado
- Encoder absoluto de 26 bits integrado
- Caixa de engrenagens padrão com relação 1/59
- Estrutura com resfriamento natural totalmente fechado (TENC)
- Proteção IP67
- Compatível com amplificadores da série MR-J5
—SEPARATOR—
Especificações
| Parâmetro | Valor |
|---|---|
| Marca principal | Mitsubishi Electric |
| Função principal | Servo motor AC |
| Série / nome da família do produto | Série MELSERVO J5 |
| Nome da subgama | Série HK-ST |
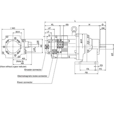
| Funções | Servo motor rotativo AC com engrenagem / motorredutor |
| Design | Eixo estriado com freio eletromecânico integrado, encoder absoluto (26 bits) integrado, caixa de engrenagens padrão 1/59, montagem com pés, estrutura totalmente fechada de resfriamento natural (TENC), capacidade de inércia média / potência média, resfriamento natural. |
| Tensão de alimentação (AC) | Classe 200Vac |
| Corrente nominal | 27A (com amplificador 200Vac) |
| Potência ativa nominal (kW) | 5000W / 5kW |
| Velocidade de rotação | 2000rpm (nominal), 4000rpm (máxima) |
| Torque | 23.9Nm (nominal) |
| Torque máximo | 71.7Nm |
| Momento de inércia | 0.0114kg.m² (114kg.cm²) |
| Modo de montagem | Flange de 176x176mm com montagem com pés (saída da caixa de engrenagens) |
| Resolução | Encoder de 26 bits (equivalente a 67108864ppr) |
| Grau de proteção | IP67 |
| Dimensões | A405mm x L470mm x P666mm |
| Altura líquida (mm) | 405 mm |
| Largura líquida (mm) | 470 mm |
| Profundidade líquida (mm) | 666 mm |
| Temperatura ambiente para operação | 0…+60 °C |
| Temperatura ambiente para armazenamento | -25°C…+70 °C |
| Carga radial máxima | 16072 N |
| Carga axial máxima | 13720 N |
| Corrente máxima | 90 A |
| Código de pedido / SKU do fabricante | HK-ST502BG1H 1/59 |
| Status do produto do fabricante | Comercializado |
| Equivalente a | HKST502BG1H159 |
| Em conformidade com norma(s) | Marca CE, TUV Rheinland, UKCA, cURus, EN60034-1, EN61800-3, EN63000, UL, CSA |
| Benefícios | Encoder de posição absoluto sem bateria, cabos do encoder, freios eletromagnéticos e alimentação equipados com conector de um toque. |
| Relação de engrenagem | 1/59 (caixa de engrenagens) |
—SEPARATOR—
Documentos
Acessórios recomendados para este servo motor incluem amplificadores das séries MR-J5, conforme especificado no catálogo, e cabos de conexão para encoder e alimentação.


