Servo Motor AC MELSERVO J5 Mitsubishi Electric HK-ST352BG1 Servo Motor AC Geared Mitsubishi Electric HK-ST352BG1 1/43 3.5kW 200Vac 16A IP67. Saiba mais!
Visão geral
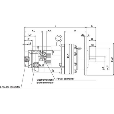
Este é um servomotor rotativo AC com engrenagem (motorredutor) da linha MELSERVO J5 da Mitsubishi Electric. Possui eixo chavetado, freio eletromagnético e feedback absoluto de 26 bits embutidos, além de um redutor padrão com relação de 1/43.
Com uma potência nominal de saída de 3500W (3.5kW) e corrente nominal de 16A para amplificador de 200Vac, este motor oferece torque nominal de 16.7Nm e velocidade rotacional nominal de 2000rpm. Seu flange de montagem possui dimensões de 176x176mm e o grau de proteção é IP67, permitindo operação em temperaturas ambientes de 0 a 60°C.
O modelo HK-ST352BG1 1/43 é projetado para aplicações que demandam alta precisão e confiabilidade, integrando soluções de freio e feedback absoluto sem a necessidade de baterias.
Principais recursos
- Servomotor rotativo AC com engrenagem
- Eixo chavetado
- Freio eletromagnético integrado
- Feedback absoluto de 26 bits integrado
- Redutor padrão com relação 1/43
- Estrutura com resfriamento natural (TENC)
- Encoder absoluto sem bateria
- Conectores de bloqueio de toque único para cabos de encoder, freios e energia
Especificações
| Parâmetro | Valor |
|---|---|
| Marca principal | Mitsubishi Electric |
| Função principal | Servomotor AC |
| Série / nome da família do produto | MELSERVO J5 series |
| Nome da subgama | HK-ST series |
| Funções | Servomotor rotativo AC com engrenagem / motorredutor |
| Projeto | Eixo chavetado, freio e/m embutido, codificador de feedback absoluto embutido (26 bits), redutor padrão 1/43, estrutura de resfriamento natural (TENC), capacidade de inércia/potência média, resfriamento natural. |
| Tensão de alimentação (AC) | Classe 200Vac |
| Corrente nominal | 16A (com amplificador de 200Vac) |
| Potência ativa nominal (kW) | 3500W / 3.5kW |
| Velocidade de rotação | 2000rpm (nominal), 3500rpm (máxima) |
| Torque | 16.7Nm nominal |
| Torque máximo | 50.1Nm |
| Momento de inércia | 0.0085kg.m² (85kg.cm²) |
| Modo de montagem | Montagem em flange 176x176mm |
| Resolução | Feedback de 26 bits (equivalente a 67108864ppr) |
| Grau de proteção | IP67 |
| Dimensões | A400mm x L400mm x P606mm |
| Altura líquida (mm) | 400 mm |
| Largura líquida (mm) | 400 mm |
| Profundidade líquida (mm) | 606 mm |
| Temperatura ambiente para operação | 0…+60 °C |
| Temperatura ambiente para armazenamento | -25°C…+70 °C |
| Carga radial máxima | 11662 N |
| Carga axial máxima | 9800 N |
| Corrente máxima | 52 A |
| Código de pedido / SKU do fabricante | HK-ST352BG1 1/43 |
| Status do produto do fabricante | Comercializado |
| Equivalente a | HKST352BG1143 |
| Em conformidade com padrão(ões) | Marcação CE, TUV Rheinland, UKCA, cURus, EN60034-1, EN61800-3, EN63000, UL, CSA |
| Benefícios | Codificador de posição absoluto sem bateria, cabos para o codificador, freios eletromagnéticos e a energia são equipados com trava de toque único. |
| Relação de engrenagem | 1/43 (redutor) |
Documentos
Observação: Os acessórios recomendados e cabos para amplificadores e codificadores estão listados nas especificações completas.
Para mais informações e para discutir suas necessidades de automação, entre em contato conosco.


