Servo Motor AC Geared MELSERVO J5 Mitsubishi Electric HK-ST202G1H 1/35 2kW 200Vac 2000rpm 9.5Nm com Encoder Absoluto 26-bit IP67

Consulte as Condições de Fornecimento

Servo Motor AC Geared Mitsubishi Electric HK-ST202G1H 1/35 Servo Motor AC Geared MELSERVO J5 Mitsubishi Electric HK-ST202G1H 1/35 com Encoder Absoluto

SKU: HK-ST202G1H 1/35 Categoria: Marca:

Visão geral

Motor servo rotativo CA acoplado a engrenagem com eixo chavetado e feedback absoluto integrado (26 bits). Pertence à série MELSERVO J5 da Mitsubishi Electric, oferecendo alta performance e confiabilidade.

Este motor conta com uma caixa de engrenagens padrão de relação 1/35, potência nominal de 2000W (2kW), e uma resolução de feedback de 26 bits, equivalente a 67.108.864 pulsos por rotação (ppr). Projetado para operar em uma classe de tensão de alimentação de 200VCA, ele fornece um torque nominal de 9.5Nm e velocidade rotacional nominal de 2000rpm.

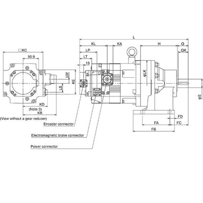
Com flange de montagem de 176x176mm e opção de montagem com pés na saída da caixa de engrenagens, além de proteção IP67, este motor é ideal para aplicações industriais que exigem precisão e robustez em ambientes com temperatura de 0 a 60°C.

Principais recursos

  • Motor servo rotativo CA acoplado a engrenagem
  • Eixo chavetado
  • Encoder absoluto integrado de 26 bits
  • Caixa de engrenagens padrão com relação 1/35
  • Potência nominal de 2kW
  • Tensão de alimentação de 200VCA
  • Torque nominal de 9.5Nm
  • Velocidade nominal de 2000rpm
  • Flange de montagem 176x176mm com montagem com pés
  • Grau de proteção IP67
  • Operação em temperatura ambiente de 0 a 60°C

Especificações

Parâmetro Valor
Marca principal Mitsubishi Electric
Função principal Motor servo CA
Série / nome da família do produto Série MELSERVO J5
Nome da sub-gama Série HK-ST
Funções Motor servo rotativo CA acoplado a engrenagem
Design Eixo chavetado, feedback absoluto integrado (26 bits), caixa de engrenagens padrão 1/35, montagem com pés, estrutura totalmente fechada com resfriamento natural (TENC), capacidade de potência / inércia média, resfriamento natural.
Tensão de alimentação (CA) Classe 200VCA
Corrente nominal 10A (com amplificador de 200VCA)
Potência ativa nominal (kW) 2000W / 2kW
Velocidade de rotação 2000rpm (nominal), 4000rpm (máxima)
Torque 9.5Nm (nominal)
Torque máximo 28.5Nm
Momento de inércia 0.00441kg.m² (44.1kg.cm²)
Modo de montagem Tamanho da flange 176x176mm com montagem com pés (saída da caixa de engrenagens)
Resolução Feedback de 26 bits (equivalente a 67108864ppr)
Grau de proteção IP67
Dimensões A341mm x L410mm x P492mm
Altura líquida (mm) 341 mm
Largura líquida (mm) 410 mm
Profundidade líquida (mm) 492 mm
Temperatura do ar ambiente para operação 0…+60 °C
Temperatura do ar ambiente para armazenamento -25°C…+70 °C
Carga radial máxima 8555 N
Carga axial máxima 6860 N
Corrente máxima 32 A
Código de pedido / SKU do fabricante HK-ST202G1H 1/35
Status do produto do fabricante Comercializado
Equivalente a HKST202G1H135
Em conformidade com as normas Marca CE, TUV Rheinland, UKCA, cURus, EN60034-1, EN61800-3, EN63000, UL, CSA
Benefícios Encoder de posição absoluto sem bateria, cabos para o encoder, freios eletromagnéticos e alimentação equipados com conector de trava rápida.
Relação de engrenagem 1/35 (caixa de engrenagens)

Documentos

Para torque padrão, recomenda-se o uso dos amplificadores MR-J5-200A-RJ, MR-J5-200G-RJ, MR-J5-200G-RJN1. Para torque mais elevado, utilizem os amplificadores MR-J5-350A-RJ, MR-J5-350G-RJ, MR-J5-350G-RJN1. Os cabos para o amplificador e motor (encoder) compatíveis são: Cabos Encoder para HK-ST (vida útil padrão para flexão): MR-J3ENSCBL2M-L (2m), MR-J3ENSCBL5M-L (5m). Cabos Encoder para HK-ST (vida útil longa para flexão): MR-J3ENSCBL2M-H (2m), MR-J3ENSCBL5M-H (5m), MR-J3ENSCBL10M-H (10m), MR-J3ENSCBL15M-H (15m), MR-J3ENSCBL17M-H (17m), MR-J3ENSCBL20M-H (20m), MR-J3ENSCBL30M-H (30m), MR-J3ENSCBL40M-H (40m), MR-J3ENSCBL50M-H (50m), MR-J3ENSCBL60M-H (60m). Cabos Encoder para conexão de encoder do lado da carga (vida útil longa para flexão): MR-EKCBL2M-H (2m), MR-EKCBL5M-H (5m).

Entre em contato para mais informações

Documentos

Marca

Mitsubishi Electric