Servo Motor AC MELSERVO J4 HG-SR502BG5 1/11 5kW Mitsubishi Servo motor AC Mitsubishi Electric MELSERVO J4 HG-SR502BG5 1/11. Potência de 5kW, 2000rpm, freio, encoder absoluto 22-bit, caixa de engrenagens 1/11.
Visão geral
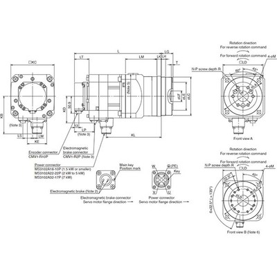
O servo motor AC rotativo com engrenagem Mitsubishi Electric MELSERVO J4 HG-SR502BG5 1/11 é uma solução de alto desempenho projetada para aplicações industriais exigentes. Este motor combina um eixo reto com um freio eletromagnético integrado e um encoder absoluto de 22 bits para um posicionamento preciso e confiável.
Equipado com uma caixa de engrenagens de alta precisão com relação de 1/11 e saída tipo flange, este servo motor oferece um torque nominal de 23,9 Nm e uma velocidade nominal de 2000rpm. Sua construção robusta, com grau de proteção IP44, garante operação estável em ambientes de até 40°C.
O sistema de feedback de 22 bits proporciona uma resolução de 4.194.304 pulsos por revolução, garantindo um controle de movimento extremamente fino. Com uma classe de tensão de alimentação de 200Vac e corrente nominal de 22A, o HG-SR502BG5 1/11 é uma escolha eficiente para automação industrial.
Principais recursos
- Servo motor AC rotativo com engrenagem
- Eixo reto
- Freio eletromagnético (e/m) integrado
- Encoder absoluto de 22 bits integrado
- Caixa de engrenagens de alta precisão 1/11 com saída flangeada
- Potência nominal de saída: 5000W / 5kW
- Velocidade rotacional nominal: 2000rpm
- Torque nominal: 23,9 Nm
- Resolução do feedback: 22 bits (equivalente a 4.194.304ppr)
- Grau de proteção: IP44
- Conectores tipo MS
- Temperatura ambiente de operação: 0…+40 °C
Especificações
| Parâmetro | Valor |
|---|---|
| Marca principal | Mitsubishi Electric |
| Função principal | Servo motor AC |
| Série/nome da família do produto | MELSERVO J4 series |
| Nome da sub-gama | HG-SR series |
| Funções | Servo motor AC rotativo com engrenagem / motorredutor |
| Design | Eixo reto, freio e/m integrado, encoder absoluto (22 bits) integrado, caixa de engrenagens de alta precisão 1/11 (saída flangeada), inércia média / capacidade de potência média, refrigeração natural |
| Tensão de alimentação (AC) | Classe 200Vac |
| Corrente nominal | 22A |
| Potência ativa nominal (kW) | 5000W / 5kW |
| Velocidade rotacional | 2000rpm (nominal), 3000rpm (máxima) |
| Torque | 23,9Nm (nominal) |
| Torque máximo | 71,6Nm |
| Momento de inércia | 0,0108kg.m² (108kg.cm²) |
| Tipo de conexão | 2 conectores tipo MS |
| Eficiência | 77-92% |
| Modo de montagem | Montagem com flange de 170x170mm (saída da caixa de engrenagens) |
| Resolução | Feedback de 22 bits (equivalente a 4.194.304ppr) |
| Grau de proteção | IP44 |
| Dimensões | A228,9mm x L176mm x P430mm |
| Altura líquida (mm) | 228,9 mm |
| Largura líquida (mm) | 176 mm |
| Profundidade líquida (mm) | 430 mm |
| Temperatura do ar ambiente para operação | 0…+40 °C |
| Temperatura do ar ambiente para armazenamento | -15°C…+70 °C |
| Carga radial máxima | 2058 N |
| Carga axial máxima | 980 N |
| Corrente máxima | 70 A |
| Código de pedido / SKU do fabricante | HG-SR502BG5 1/11 |
| Status do produto do fabricante | Comercializado |
| Equivalente a | HGSR502BG5111 |
| Em conformidade com norma(s) | Marca CE, TUV Rheinland, cULus, UL, KC, EN61800-3, EN60034-1, EN62061 SILCL3, EN50581, UL1004-1, UL1004-6, CSA, KC, EAC |
| Relação de engrenagem | 1/11 (caixa de engrenagens) |
| Folga (backlash) | Máximo de 3 minutos de arco (0,05°) |
Documentos
Acessórios recomendados para uso padrão em um eixo incluem amplificadores como MR-J4-500GF, MR-J4-500GF-RJ, MR-J4-500B, MR-J4-500B-RJ, MR-J4-500A, MR-J4-500A-RJ, e cabos de motor/encoder apropriados. Consulte a documentação técnica para a seleção completa de cabos de alimentação, encoder e freio.
Para mais informações ou para discutir suas necessidades de automação, entre em contato conosco.


