Visão geral
Servo motor AC rotativo com redutor, eixo reto e codificador absoluto embutido de 22 bits da série MELSERVO J4 da Mitsubishi Electric. Projetado para aplicações que exigem alta precisão e desempenho robusto, este motor combina a potência nominal de 5000W (5kW) com um redutor de alta precisão com relação de 1/5.
Possui feedback de alta resolução (equivalente a 4194304 pulsos por revolução) e torque nominal de 23.9Nm, operando em uma classe de tensão de 400Vac. O design com resfriamento natural e montagem em flange de 170x170mm facilita a integração em sistemas existentes, enquanto o grau de proteção IP44 garante resistência a ambientes moderados.
Principais recursos
- Servo motor AC rotativo com redutor
- Eixo reto com codificador absoluto de 22 bits
- Redutor de alta precisão com relação 1/5
- Potência nominal de 5000W (5kW)
- Tensão de alimentação 400Vac
- Torque nominal de 23.9Nm
- Velocidade rotacional nominal de 2000rpm
- Montagem em flange de 170x170mm
- Folga máxima de 3 minutos de arco (0.05°)
- Grau de proteção IP44
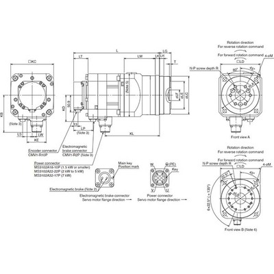
- Conectores tipo MS
Especificações
| Parâmetro | Valor |
|---|---|
| Marca principal | Mitsubishi Electric |
| Função principal | Servo motor AC |
| Série/Nome da família do produto | MELSERVO J4 series |
| Nome da subgama | HG-SR series |
| Funções | Servo motor AC rotativo com redutor |
| Design | Eixo reto com codificador absoluto de 22 bits e redutor 1/5 (saída flangeada), inércia/potência média, resfriamento natural. |
| Tensão de alimentação (AC) | Classe 400Vac |
| Corrente nominal | 11A |
| Potência ativa nominal (kW) | 5000W / 5kW |
| Velocidade rotacional | 2000rpm / 3000rpm (máxima) |
| Torque | 23.9Nm nominal |
| Torque máximo | 71.6Nm |
| Momento de inércia | 0.0119kg.m² (119kg.cm²) |
| Tipo de conexão | 2 x conectores tipo MS |
| Eficiência | 77-92% |
| Modo de montagem | Montagem em flange 170x170mm (saída do redutor) |
| Resolução | Feedback de 22 bits (equivalente a 4194304ppr) |
| Grau de proteção | IP44 |
| Dimensões | A228.9mm x L176mm x P380.5mm |
| Altura líquida (mm) | 228.9 mm |
| Largura líquida (mm) | 176 mm |
| Profundidade líquida (mm) | 380.5 mm |
| Temperatura ambiente para operação | 0…+40 °C |
| Temperatura ambiente para armazenamento | -15°C…+70 °C |
| Carga radial máxima | 2058 N |
| Carga axial máxima | 980 N |
| Corrente máxima | 42 A |
| Código de pedido / SKU do fabricante | HG-SR5024G5 1/5 |
| Status do produto do fabricante | Comercializado |
| Equivalente a | HGSR5024G515 |
| Em conformidade com norma(s) | Marca CE, TUV Rheinland, cULus, UL, KC, EN61800-3, EN60034-1, EN62061 SILCL3, EN50581, UL1004-1, UL1004-6, CSA, KC, EAC |
| Relação de redução | 1/5 (redutor) |
| Folga (Backlash) | Máxima de 3 minutos de arco (0.05°) |
Documentos
Este produto é compatível com os amplificadores listados como acessórios recomendados. Consulte a documentação técnica para obter detalhes sobre os cabos de conexão e compatibilidade de amplificadores.
Entre em contato para mais informações ou para solicitar um orçamento.



