Principais recursos
- Servo motor AC com engrenagem e eixo reto
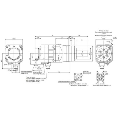
- Freio eletromagnético e encoder absoluto de 22 bits integrados
- Redução de alta precisão com engrenagem 1/5
- Potência nominal de 5000W (5kW)
- Torque nominal de 23.9Nm
- Velocidade rotacional de 2000rpm
- Classe de tensão de alimentação 400Vca
- Montagem em flange 170x170mm
- Grau de proteção IP44
- Conexões tipo MS
Especificações
| Parâmetro | Valor |
|---|---|
| Marca Principal | Mitsubishi Electric |
| Função Principal | Servo motor AC |
| Série/Família do Produto | MELSERVO J4 series |
| Nome da Subgama | HG-SR series |
| Funções | Servo motor rotativo AC com engrenagem / motorredutor |
| Projeto | Eixo reto, freio e/m integrado, encoder absoluto (22 bits) integrado, engrenagem de alta precisão 1/5 (saída de eixo), inércia média / capacidade de potência média, resfriamento natural |
| Tensão de Alimentação (AC) | Classe 400Vca |
| Corrente Nominal | 11A |
| Potência Ativa Nominal (kW) | 5000W / 5kW |
| Velocidade de Rotação | 2000rpm, 3000rpm (máxima) |
| Torque Nominal | 23.9Nm |
| Torque Máximo | 71.6Nm |
| Momento de Inércia | 0.0121kg.m² (121kg.cm²) |
| Tipo de Conexão | 2 conectores tipo MS |
| Eficiência | 77-92% |
| Modo de Montagem | Montagem em flange 170x170mm (saída do redutor) |
| Resolução | Feedback de 22 bits (equivalente a 4194304ppr) |
| Grau de Proteção | IP44 |
| Dimensões | A228.9mm x L176mm x P533mm |
| Altura Líquida (mm) | 228.9 mm |
| Largura Líquida (mm) | 176 mm |
| Profundidade Líquida (mm) | 533 mm |
| Temperatura do Ar Ambiente para Operação | 0…+40 °C |
| Temperatura do Ar Ambiente para Armazenamento | -15°C…+70 °C |
| Carga Radial Máxima | 2058 N |
| Carga Axial Máxima | 980 N |
| Corrente Máxima | 42 A |
| Código de Pedido / SKU do Fabricante | HG-SR5024BG7 1/5 |
| Status do Produto do Fabricante | Comercializado |
| Equivalente a | HGSR5024BG715 |
| Conforme Padrão(ões) | Marcação CE, TUV Rheinland, cULus, UL, KC, EN61800-3, EN60034-1, EN62061 SILCL3, EN50581, UL1004-1, UL1004-6, CSA, KC, EAC |
| Relação de Engrenagem | 1/5 (redutor) |
| Folga | Máximo de 3 minutos de arco (0.05°) |
Documentos
Este produto é compatível com os amplificadores da série MR-J4. Para uso em aplicações de eixo único padrão, recomenda-se o uso dos seguintes amplificadores: MR-J4-500GF4, MR-J4-500GF4-RJ, MR-J4-500B4, MR-J4-500B4-RJ, MR-J4-500A4, MR-J4-500A4-RJ. Consulte a documentação técnica para a seleção correta dos cabos de encoder e de alimentação, assim como cabos de freio, disponíveis em diversas extensões e com opções de vida útil para aplicações de dobra padrão e longa. As especificações de compatibilidade de cabos podem ser encontradas na seção “Acessórios recomendados” das especificações técnicas.
Para mais informações ou para discutir suas necessidades, entre em contato conosco.



