Visão geral
Este é um servomotor rotativo CA com engrenagem, também conhecido como servomotor com caixa de engrenagens. Ele combina um motor de alta performance com uma caixa de engrenagens de precisão para oferecer torque elevado em baixas velocidades, mantendo a robustez e a confiabilidade da série MELSERVO J4 da Mitsubishi Electric.
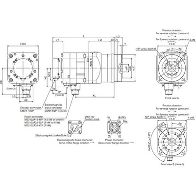
Equipado com freio eletromagnético integrado, um encoder absoluto de 22 bits para feedback de alta resolução e uma caixa de engrenagens com relação de 1/33, este modelo é ideal para aplicações que demandam posicionamento preciso e controle rigoroso de movimento. Sua construção com eixo reto e montagem em flange de 170x170mm facilita a integração em diversos sistemas.
O motor oferece uma potência nominal de 2000W (2kW) e opera em classe de tensão de 400VCA, sendo projetado para refrigeração natural. O feedback de 22 bits garante uma resolução de 4.194.304 pulsos por revolução, assegurando um controle de movimento extremamente fino e repetitivo.
Principais recursos
- Servomotor rotativo CA com engrenagem
- Freio eletromagnético integrado
- Encoder absoluto de 22 bits
- Caixa de engrenagens de alta precisão (relação 1/33)
- Eixo reto
- Potência nominal de 2kW
- Tensão de alimentação de 400VCA
- Montagem em flange de 170x170mm
- Classe de proteção IP44
- Conectores tipo MS
Especificações
| Parâmetro | Valor |
|---|---|
| Marca principal | Mitsubishi Electric |
| Função principal | Servomotor CA |
| Série/família de produtos | Série MELSERVO J4 |
| Nome da sub-gama | Série HG-SR |
| Funções | Servomotor rotativo CA com engrenagem / servomotor com caixa de engrenagens |
| Projeto | Eixo reto, freio e/m embutido, encoder absoluto embutido (22 bits), caixa de engrenagens de alta precisão 1/33 (saída flangeada), inércia média / capacidade de potência média, refrigeração natural |
| Tensão de alimentação (CA) | Classe 400VCA |
| Corrente nominal | 4.9A |
| Potência ativa nominal (kW) | 2000W / 2kW |
| Velocidade de rotação | 2000rpm (nominal), 3000rpm (máxima) |
| Torque nominal | 9.5Nm |
| Torque máximo | 28.6Nm |
| Momento de inércia | 0.00619kg.m² (61.9kg.cm²) |
| Tipo de conexão | 2 conectores tipo MS |
| Eficiência | 77-92% |
| Modo de montagem | Montagem em flange de 170x170mm (saída da caixa de engrenagens) |
| Resolução | Feedback de 22 bits (equivalente a 4.194.304ppr) |
| Grau de proteção | IP44 |
| Dimensões | A228.9mm x L176mm x P390mm |
| Altura líquida (mm) | 228.9 mm |
| Largura líquida (mm) | 176 mm |
| Profundidade líquida (mm) | 390 mm |
| Temperatura ambiente para operação | 0…+40 °C |
| Temperatura ambiente para armazenamento | -15°C…+70 °C |
| Carga radial máxima | 2058 N |
| Carga axial máxima | 980 N |
| Corrente máxima | 17 A |
| Código de pedido / SKU do fabricante | HG-SR2024BG5 1/33 |
| Status do produto do fabricante | Comercializado |
| Equivalente a | HGSR2024BG5133 |
| Em conformidade com as normas | Marca CE, TUV Rheinland, cULus, UL, KC, EN61800-3, EN60034-1, EN62061 SILCL3, EN50581, UL1004-1, UL1004-6, CSA, KC, EAC |
| Relação de engrenagem | 1/33 (caixa de engrenagens) |
| Folga (backlash) | Máxima de 3 minutos de arco (0.05°) |
Documentos
Este produto é parte da série MELSERVO J4 da Mitsubishi Electric e é projetado para integração com os amplificadores da mesma linha. Consulte a documentação para obter a lista completa de cabos de encoder, cabos de alimentação e cabos de freio recomendados, que variam em comprimento e características de flexibilidade.
Entre em contato para saber mais sobre este produto e suas aplicações.




