Servo Motor AC Geared MELSERVO J4 Mitsubishi Electric HG-SR202BG5 1/5 2kW 22-bit Freio 1/5 Flange IP44
Visão geral
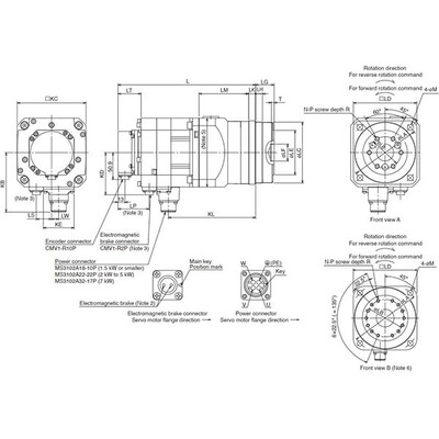
Este servo motor rotativo AC com redutor da série MELSERVO J4 da Mitsubishi Electric, modelo HG-SR202BG5 1/5, é projetado para aplicações de alto desempenho que exigem precisão e confiabilidade. Possui um eixo reto, freio eletromagnético embutido e um codificador absoluto de 22 bits para feedback de posição detalhado.
Com uma relação de engrenagem de alta precisão de 1/5 e uma flange de saída, este motor oferece uma solução compacta para montagem. Sua construção robusta garante durabilidade em ambientes operacionais exigentes, com proteção IP44.
Principais recursos
- Servo motor AC rotativo com redutor
- Eixo reto
- Freio eletromagnético embutido
- Codificador absoluto de 22 bits embutido
- Redutor de alta precisão com relação 1/5
- Saída com flange
- Conexões tipo MS
- Proteção IP44
Especificações
| Parâmetro | Valor |
|---|---|
| Marca principal | Mitsubishi Electric |
| Função principal | Servomotor AC |
| Série / nome da família do produto | Série MELSERVO J4 |
| Nome da sub-gama | Série HG-SR |
| Funções | Servo motor AC rotativo com redutor / motorredutor |
| Design | Eixo reto com freio e/m embutido, codificador absoluto (22 bits) embutido, redutor de alta precisão 1/5 (saída com flange), capacidade de potência média/inércia média, resfriamento natural |
| Tensão de alimentação (AC) | Classe 200Vac |
| Corrente nominal | 9.6A |
| Potência ativa nominal (kW) | 2000W / 2kW |
| Velocidade de rotação | 2000rpm, 3000rpm (máxima) |
| Torque nominal | 9.5Nm |
| Torque máximo | 28.6Nm |
| Momento de inércia | 0.00611kg.m² (61.1kg.cm²) |
| Tipo de conexão | 2 x conectores tipo MS |
| Eficiência | 77-92% |
| Modo de montagem | Montagem com flange de 120x120mm (saída do redutor) |
| Resolução | Feedback de 22 bits (equivalente a 4194304ppr) |
| Grau de proteção | IP44 |
| Dimensões | A228.9mm x L176mm x P352mm |
| Altura líquida (mm) | 228.9 mm |
| Largura líquida (mm) | 176 mm |
| Profundidade líquida (mm) | 352 mm |
| Temperatura ambiente para operação | 0…+40 °C |
| Temperatura ambiente para armazenamento | -15°C…+70 °C |
| Carga radial máxima | 2058 N |
| Carga axial máxima | 980 N |
| Corrente máxima | 31 A |
| Código de pedido / SKU do fabricante | HG-SR202BG5 1/5 |
| Status do produto do fabricante | Comercializado |
| Equivalente a | HGSR202BG515 |
| Padrão(ões) em conformidade | Marcação CE, TUV Rheinland, cULus, UL, KC, EN61800-3, EN60034-1, EN62061 SILCL3, EN50581, UL1004-1, UL1004-6, CSA, KC, EAC |
| Relação de transmissão | 1/5 (redutor) |
| Folga (backlash) | Máximo de 3 minutos de arco (0.05°) |
Documentos
Este equipamento é compatível com os amplificadores da série MR-J4. Consulte a seção de acessórios recomendados para detalhes sobre cabos de encoder e cabos de alimentação.
Entre em contato conosco para mais informações sobre este produto.


