Visão geral
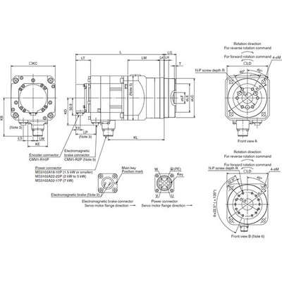
Este é um servomotor AC rotativo com caixa de engrenagens, pertencente à série MELSERVO J4 da Mitsubishi Electric. Possui eixo reto, encoder absoluto integrado com resolução de 22 bits e uma caixa de engrenagens de alta precisão com relação 1/21, oferecendo saída por flange.
Projetado para aplicações industriais, este motor de engrenagem oferece uma potência nominal de 1500W (1.5kW), com uma relação de transmissão de 1/21 e feedback de 22 bits, equivalente a 4.194.304 pulsos por revolução. A corrente nominal é de 4.7A, e a classe de tensão de alimentação é de 400Vac. O torque nominal é de 7.2Nm, e a velocidade rotacional nominal é de 2000rpm.
Com montagem por flange de 170x170mm na saída da caixa de engrenagens e um baixo nível de folga máxima de 3 minutos de arco (0.05°), este servomotor garante precisão em movimentos. Possui grau de proteção IP44 e é equipado com 2 conectores tipo MS. É classificado para operação em temperaturas ambientes de 0 a 40°C.
Principais recursos
- Servomotor AC rotativo com caixa de engrenagens
- Eixo reto
- Encoder absoluto integrado (22 bits)
- Caixa de engrenagens de alta precisão (relação 1/21)
- Saída por flange
- Potência nominal de 1.5kW
- Torque nominal de 7.2Nm
- Velocidade nominal de 2000rpm
- Montagem por flange 170x170mm
- Folga máxima de 3 minutos de arco
- Grau de proteção IP44
- 2 conectores tipo MS
Especificações
| Parâmetro | Valor |
|---|---|
| Marca principal | Mitsubishi Electric |
| Função principal | Servomotor AC |
| Série / nome da família do produto | MELSERVO J4 series |
| Nome da subgama | HG-SR series |
| Funções | Servomotor AC rotativo com caixa de engrenagens / motor de engrenagem |
| Design | Eixo reto com encoder absoluto integrado (22 bits), caixa de engrenagens 1/21 de alta precisão (saída por flange), inércia média / capacidade de potência média, resfriamento natural |
| Tensão de alimentação (AC) | Classe 400Vac |
| Corrente nominal | 4.7A |
| Potência ativa nominal (kW) | 1500W / 1.5kW |
| Velocidade de rotação | 2000rpm 3000rpm (máxima) |
| Torque | 7.2Nm nominal |
| Torque máximo | 21.5Nm |
| Momento de inércia | 0.00217kg.m2 (21.7kg.cm2) |
| Tipo de conexão | 2 x conectores tipo MS |
| Eficiência | 77-92% |
| Modo de montagem | Montagem por flange 170x170mm (saída da caixa de engrenagens) |
| Resolução | Feedback de 22 bits (equivalente a 4194304ppr) |
| Grau de proteção | IP44 |
| Dimensões | A177.5mm x L130mm x P322.5mm |
| Altura líquida (mm) | 177.5 mm |
| Largura líquida (mm) | 130 mm |
| Profundidade líquida (mm) | 322.5 mm |
| Temperatura ambiente para operação | 0…+40 °C |
| Temperatura ambiente para armazenamento | -15°C…+70 °C |
| Carga radial máxima | 980 N |
| Carga axial máxima | 490 N |
| Corrente máxima | 17 A |
| Código de pedido / SKU do fabricante | HG-SR1524G5 1/21 |
| Status do produto do fabricante | Comercializado |
| Equivalente a | HGSR1524G5121 |
| Em conformidade com as normas | Marca CE, TUV Rheinland, cULus, UL, KC, EN61800-3, EN60034-1, EN62061 SILCL3, EN50581, UL1004-1, UL1004-6, CSA, KC, EAC |
| Relação de engrenagem | 1/21 (caixa de engrenagens) |
| Folga | Máxima de 3 minutos de arco (0.05°) |
Documentos
Acessórios recomendados incluem amplificadores para uso em eixos únicos, como MR-J4-200GF4, MR-J4-200GF4-RJ, MR-J4-200B4, MR-J4-200B4-RJ, MR-J4-200A4, MR-J4-200A4-RJ. Cabos para encoder e cabos de alimentação com diversas opções de comprimento e tipo de vida útil (vida útil padrão para dobra, vida útil longa para dobra) estão disponíveis para conexão com os amplificadores compatíveis.
Entre em contato conosco para mais informações ou para adquirir este produto.



