Servo Motor AC com Redutor e Freio Mitsubishi HK-ST502BG1H 1/29 5kW 200Vac—SEPARATOR—Este servo motor AC MELSERVO J5 da Mitsubishi Electric, SKU HK-ST502BG1H 1/29, é um motor rotativo com redutor integrado, eixo com chaveta e freio eletromagnético. Apresenta feedback absoluto de 26 bits e uma relação de redutor de 1/29, ideal para aplicações que exigem precisão e torque. Principais recursos * Motor servo AC rotativo com redutor (gear motor) * Eixo com chaveta * Freio eletromagnético integrado * Codificador absoluto integrado de 26 bits * Redutor padrão com relação de 1/29 * Estrutura de resfriamento natural totalmente fechada (TENC) * Capacidade de média inércia e média potência * Montagem com flange de 176x176mm e pés de montagem (saída do redutor) * Proteção IP67 * Encoder absoluto sem bateria e conectores de engate rápido para cabos do encoder, freios e alimentação Especificações | Parâmetro | Valor | |—|—| | Marca principal | Mitsubishi Electric | | Função principal | Servo motor AC | | Série/família do produto | MELSERVO J5 series | | Sub-linha | HK-ST series | | Funções | Motor servo AC rotativo com redutor | | Projeto | Eixo com chaveta, freio e/m integrado, codificador absoluto (26 bits) integrado, redutor padrão 1/29, montagem com pés, estrutura TENC, média inércia/média potência, resfriamento natural | | Tensão de alimentação (AC) | Classe 200Vac | | Corrente nominal | 27A (com amplificador de 200Vac) | | Potência ativa nominal (kW) | 5000W / 5kW | | Velocidade de rotação | 2000rpm; 4000rpm (máxima) | | Torque nominal | 23.9Nm | | Torque máximo | 71.7Nm | | Momento de inércia | 0.0117kg.m² (117kg.cm²) | | Modo de montagem | Flange de 176x176mm com montagem por pés (saída do redutor) | | Resolução | Feedback de 26 bits (equivalente a 67108864ppr) | | Grau de proteção | IP67 | | Dimensões | A405mm x L470mm x P666mm | | Altura líquida (mm) | 405 mm | | Largura líquida (mm) | 470 mm | | Profundidade líquida (mm) | 666 mm | | Temperatura ambiente para operação | 0…+60 °C | | Temperatura ambiente para armazenamento | -25°C…+70 °C | | Carga radial máxima | 13426 N | | Carga axial máxima | 13720 N | | Corrente máxima | 90 A | | Código de pedido / SKU do fabricante | HK-ST502BG1H 1/29 | | Status do produto do fabricante | Comercializado | | Equivalente a | HKST502BG1H129 | | Em conformidade com as normas | Marcação CE, TUV Rheinland, UKCA, cURus, EN60034-1, EN61800-3, EN63000, UL, CSA | | Benefícios | Codificador absoluto sem bateria, cabos para encoder, freios eletromagnéticos e alimentação com trava de um toque | | Relação de transmissão | 1/29 (redutor) | Documentos * [Mitsubishi Electric – MELSERVO J5 series – Catalogue.pdf](https://cdn.kyklo.co/assets/W1siZiIsIjIwMjIvMDIvMTAvMTQvNTAvMzIvZTdhOWNmMmYtZGMwMy00MmY5LThkYjAtNWJhMDE0NjE1YTBiL01pdHN1YmlzaGklMjBFbGVjdHJpYyUyMC0lMjBNRUxTRVJWTyUyMEo1JTIwc2VyaWVzJTIwLSUyMENhdGFsb2d1ZS5wZGYiXV0?sha=e046f8c1c2704252) Este produto é equivalente ao código HKST502BG1H129. Para informações sobre acessórios recomendados e compatibilidade, consulte a documentação ou entre em contato.
Especificações
| Parâmetro | Valor |
|---|---|
| Primary brand | Mitsubishi Electric |
| Main function | AC servo motor |
| Product series / family name | MELSERVO J5 series |
| Sub-range name | HK-ST series |
| Functions | AC geared rotary servo motor / gearmotor |
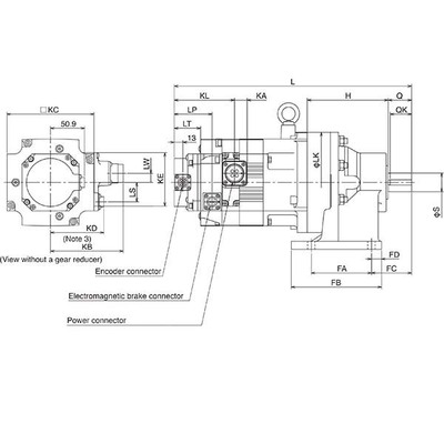
| Design | keyed shaft built-in e/m brake built-in absolute feedback encod. (26-bit) 1/29 standard gearhead foot mounting Totally Enclosed Natural Cooling (TENC) structure medium inertia / medium power capacity natural cooling |
| Supply voltage (AC) | 200Vac class |
| Rated current | 27A (with 200Vac amplif.) |
| Rated active power (kW) | 5000W / 5kW |
| Rotational speed | 2000rpm 4000rpm (maximum) |
| Torque | 23.9Nm nominal |
| Maximum torque | 71.7Nm |
| Moment of inertia | 0.0117kg.m2 (117kg.cm2) |
| Mounting mode | 176x176mm flange size with foot mounting (grbx. output) |
| Resolution | 26-bit (equivalent to 67108864ppr) feedback |
| Degree of protection | IP67 |
| Dimensions | H405mm x W470mm x D666mm |
| Net Height (mm) | 405 mm |
| Net Width (mm) | 470 mm |
| Net Depth (mm) | 666 mm |
| Ambient air temperature for operation | 0…+60 °C |
| Ambient air temperature for storage | -25°C…+70 °C |
| Maximum radial load | 13426 N |
| Maximum axial load | 13720 N |
| Maximum current | 90 A |
| Order code / Manufacturer SKU | HK-ST502BG1H 1/29 |
| Manufacturer product status | Commercialized |
| Equivalent to | HKST502BG1H129 |
| Compliant with standard(s) | CE marking TUV Rheinland UKCA cURus EN60034-1 EN61800-3 EN63000 UL CSA |
| Benefits | batteryless absolute position encoder the cables for the encoder; the electromagnetic brakes and the pwr. are equipped with one-touch lock |
| Gear ratio | 1/29 (gearhead) |
| Recommended accessories | for standard torque use amplifiers – MR-J5-500A-RJ – MR-J5-500G-RJ – MR-J5-500G-RJN1 for higher torque use amplifiers – MR-J5-700A-RJ – MR-J5-700G-RJ – MR-J5-700G-RJN1 Use amplifier motor cables as follows – Encoder cable for HK-ST — Standard bending life –> 2m ( MR-J3ENSCBL2M-L ) –> 5m ( MR-J3ENSCBL5M-L ) — Long bending life –> 2m ( MR-J3ENSCBL2M-H ) –> 5m ( MR-J3ENSCBL5M-H ) –> 10m ( MR-J3ENSCBL10M-H ) –> 15m ( MR-J3ENSCBL15M-H ) –> 17m ( MR-J3ENSCBL17M-H ) –> 20m ( MR-J3ENSCBL20M-H ) –> 30m ( MR-J3ENSCBL30M-H ) –> 40m ( MR-J3ENSCBL40M-H ) –> 50m ( MR-J3ENSCBL50M-H ) –> 60m ( MR-J3ENSCBL60M-H ) – Encoder cable for connecting a load-side encoder — Standard bending life –> 2m ( MR-EKCBL2M-H ) –> 5m ( MR-EKCBL5M-H ) |



