Servo Motor AC com Redutor 3.5kW MELSERVO J5 Mitsubishi Electric Servo Motor AC com Redutor 3.5kW MELSERVO J5 1/5, SKU HK-ST352BG5 1/5, da Mitsubishi Electric. Desempenho e precisão para sua aplicação. —
Visão geral
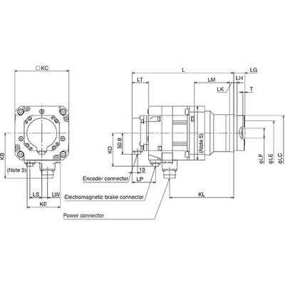
O motor servo rotativo AC com redutor, também conhecido como motor engrenado, apresenta um eixo reto, freio eletromagnético integrado e encoder absoluto de 26 bits. Possui um redutor de alta precisão com relação de transmissão de 1/5 e saída flangeada, pertencente à série MELSERVO J5 da Mitsubishi Electric.
Este equipamento de potência nominal de 3500W (3.5kW) e velocidade rotacional nominal de 2000rpm oferece um torque nominal de 16.7Nm. O encoder absoluto de 26 bits proporciona uma resolução equivalente a 67108864 pulsos por revolução (ppr), garantindo alta precisão no posicionamento. A classe de tensão de alimentação é de 200Vac, com corrente nominal de 16A quando utilizado com amplificador de 200Vac.
—
Principais recursos
- Motor servo rotativo AC com redutor
- Eixo reto
- Freio eletromagnético (e/m brake) integrado
- Encoder absoluto de 26 bits integrado
- Redutor de alta precisão com relação 1/5 (saída flangeada)
- Estrutura TENC (Totalmente Fechada com Resfriamento Natural)
- Inércia média / Capacidade de potência média
- Resfriamento natural
—
Especificações
| Parâmetro | Valor |
|---|---|
| Marca principal | Mitsubishi Electric |
| Função principal | Motor servo AC |
| Série/nome da família do produto | Série MELSERVO J5 |
| Nome do sub-alcance | Série HK-ST |
| Funções | Motor servo rotativo AC com redutor |
| Projeto | Eixo reto, freio e/m integrado, encoder absoluto (26 bits) integrado, redutor de alta precisão 1/5 (saída flangeada), estrutura TENC, resfriamento natural, capacidade de inércia média/potência média |
| Tensão de alimentação (AC) | Classe 200Vac |
| Corrente nominal | 16A (com amplificador de 200Vac) |
| Potência ativa nominal (kW) | 3500W / 3.5kW |
| Velocidade de rotação | 2000rpm, 3500rpm (máxima) |
| Torque nominal | 16.7Nm |
| Torque máximo | 50.1Nm |
| Momento de inércia | 0.00632kg.m² (63.2kg.cm²) |
| Modo de montagem | Montagem em flange 176x176mm |
| Resolução | Encoder de 26 bits (equivalente a 67108864ppr) |
| Grau de proteção | IP67 |
| Dimensões | A211.2mm x L140.8mm x P372mm |
| Altura líquida (mm) | 211.2 mm |
| Largura líquida (mm) | 140.8 mm |
| Profundidade líquida (mm) | 372 mm |
| Temperatura ambiente para operação | 0…+60 °C |
| Temperatura ambiente para armazenamento | -25°C…+70 °C |
| Carga radial máxima | 711 N |
| Carga axial máxima | 2834 N |
| Corrente máxima | 52 A |
| Código de pedido / SKU do fabricante | HK-ST352BG5 1/5 |
| Status do produto do fabricante | Comercializado |
| Equivalente a | HKST352BG515 |
| Em conformidade com a(s) norma(s) | Marcação CE, TUV Rheinland, UKCA, cURus, EN60034-1, EN61800-3, EN63000, UL, CSA |
| Benefícios | Encoder absoluto sem bateria; os cabos do encoder, os freios eletromagnéticos e a alimentação são equipados com trava de um toque. |
| Relação de engrenagem | 1/5 (redutor) |
—
Documentos
Acessórios recomendados incluem amplificadores (MR-J5-350A-RJ, MR-J5-350G-RJ, MR-J5-350G-RJN1 para torque padrão; MR-J5-500A-RJ, MR-J5-500G-RJ, MR-J5-500G-RJN1 para torque mais alto) e cabos de conexão. Cabos de encoder para o motor HK-ST estão disponíveis em diversas metragens, com opções de vida útil padrão e longa para flexão.
Para mais informações, entre em contato conosco.



