Servo Motor AC com Freio e Encoder Absoluto MELSERVO J5 Mitsubishi HK-ST102BG5 1/21 1kW 2000RPM 4.8Nm IP67

Consulte as Condições de Fornecimento

Servo Motor AC Mitsubishi HK-ST102BG5 1/21: 1kW, 2000RPM, 4.8Nm, IP67. A solução MELSERVO J5 para precisão em sistemas de automação.

SKU: HK-ST102BG5 1/21 Categoria: Marca:

Visão geral

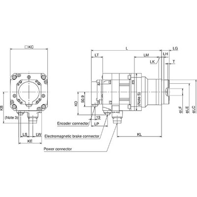
Este é um servo motor AC rotativo com engrenagem, fabricado pela Mitsubishi Electric, parte da série MELSERVO J5. Equipado com um eixo reto, freio eletromagnético integrado e um encoder absoluto de 26 bits, ele oferece alta precisão e confiabilidade em suas operações.

O motor conta com uma caixa de engrenagens de alta precisão com relação de 1/21 e saída por flange, ideal para montagens robustas. Sua estrutura TENC (Totalmente Fechada, Resfriamento Natural) garante operação eficiente em temperaturas ambientes de 0 a 60°C. O encoder absoluto, com resolução equivalente a 67.108.864 pulsos por revolução, elimina a necessidade de baterias, e os cabos para o encoder, freios eletromagnéticos e alimentação são equipados com conectores de travamento rápido.

Principais recursos

  • Servo motor AC rotativo com engrenagem
  • Eixo reto
  • Freio eletromagnético integrado
  • Encoder absoluto de 26 bits
  • Caixa de engrenagens de alta precisão (relação 1/21) com saída por flange
  • Estrutura de Resfriamento Natural Totalmente Fechada (TENC)
  • Conectores de travamento rápido para cabos de encoder, freios e alimentação

Especificações

Parâmetro Valor
Marca principal Mitsubishi Electric
Função principal Servo motor AC
Série / nome da família do produto Série MELSERVO J5
Nome da sub-linha Série HK-ST
Funções Servo motor AC com engrenagem / motor de engrenagem rotativo
Projeto Eixo reto, freio e/m integrado, encoder absoluto integrado (26 bits), caixa de engrenagens de alta precisão 1/21 (saída por flange), estrutura TENC, capacidade de inércia média / potência média, resfriamento natural
Tensão de alimentação (AC) Classe 200Vac
Corrente nominal 5.3A (com amplificador de 200Vac)
Potência ativa nominal (kW) 1000W / 1kW
Velocidade de rotação 2000rpm (nominal), 4000rpm (máxima)
Torque nominal 4.8Nm
Torque máximo 14.4Nm
Momento de inércia 0.00138kg.m² (13.8kg.cm²)
Modo de montagem Montagem por flange de 130x130mm
Resolução Encoder de 26 bits (equivalente a 67.108.864ppr)
Grau de proteção IP67
Dimensões A173.8mm x L130mm x P303mm
Altura líquida (mm) 173.8 mm
Largura líquida (mm) 130 mm
Profundidade líquida (mm) 303 mm
Temperatura do ar ambiente para operação 0…+60 °C
Temperatura do ar ambiente para armazenamento -25°C…+70 °C
Carga radial máxima 1094 N
Carga axial máxima 4359 N
Corrente máxima 18 A
Código de pedido / SKU do fabricante HK-ST102BG5 1/21
Status do produto do fabricante Comercializado
Equivalente a HKST102BG5121
Em conformidade com a(s) norma(s) Marcação CE, TUV Rheinland, UKCA, cURus, EN60034-1, EN61800-3, EN63000, UL, CSA
Benefícios Encoder de posição absoluto sem bateria, cabos para o encoder, freios eletromagnéticos e alimentação equipados com conector de travamento rápido
Relação de engrenagem 1/21 (caixa de engrenagens)

Documentos

Para torques padrão, são recomendados os amplificadores MR-J5-100A-RJ, MR-J5-100G-RJ ou MR-J5-100G-RJN1. Para torques mais elevados, utilize os amplificadores MR-J5-200A-RJ, MR-J5-200G-RJ, MR-J5-200G-RJN1, MR-J5-350A-RJ, MR-J5-350G-RJ, MR-J5-350G-RJN1 ou MR-J5W2-1010G. Cabos para encoder com vida útil padrão e longa estão disponíveis em diversas metragens.

Explore nossas soluções em automação industrial.

Entre em contato

Marca

Mitsubishi Electric