Visão geral
O motor Spindle Mitsubishi Electric SJ-V18.5-01T(F) é um dispositivo de alta performance, parte da série SJ-V, caracterizado por eixo reto e feedback absoluto integrado do tipo 2. Projetado para operar com tensão de alimentação de 200VCA, o motor entrega uma potência nominal de 18500W (18,5kW) e um torque nominal de 95,5Nm.
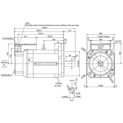
Com uma velocidade nominal de rotação de 1500 RPM e uma velocidade máxima de 6000 RPM, este motor é ideal para aplicações que demandam precisão e força. Sua montagem é feita por flange de 250x250mm e o grau de proteção é IP44, permitindo operação em temperaturas ambientes de 0 a 40°C.
A Mitsubishi Electric oferece uma vasta gama de motores Spindle para atender às necessidades diversificadas de máquinas-ferramenta, garantindo soluções robustas e confiáveis para processos industriais.
Principais recursos
- Eixo reto com feedback absoluto integrado tipo 2
- Potência nominal de 18,5kW
- Velocidade nominal de 1500 RPM (máxima de 6000 RPM)
- Torque nominal de 95,5Nm
- Montagem em flange 250x250mm
- Grau de proteção IP44
- Operação em temperatura ambiente de 0 a 40°C
Especificações
| Parâmetro | Valor |
|---|---|
| Marca principal | Mitsubishi Electric |
| Função principal | Servomotor CA |
| Série/família de produtos | Série SJ-V |
| Funções | Motor Spindle |
| Design | Eixo reto, feedback absoluto integrado tipo 2, inércia média |
| Tensão de alimentação (CA) | Classe 200VCA |
| Potência ativa nominal (kW) | 18500W / 18,5kW |
| Velocidade de rotação | 1500rpm 6000rpm (máxima) |
| Torque | 95,5Nm nominal |
| Momento de inércia | 0,06kg.m² (60kg.cm²) |
| Modo de montagem | Montagem em flange 250x250mm |
| Grau de proteção | IP44 |
| Dimensões | A328mm x L272mm x P579,5mm |
| Altura líquida (mm) | 328 mm |
| Largura líquida (mm) | 272 mm |
| Profundidade líquida (mm) | 579,5 mm |
| Temperatura do ar ambiente para operação | 0…+40 °C |
| Temperatura do ar ambiente para armazenamento | -20°C…+65 °C |
| Carga radial máxima | 2940 N |
| Código de pedido / SKU do fabricante | SJ-V18.5-01T(F) |
| Status do produto do fabricante | Descontinuado |
| Benefícios | Motores Spindle de alto desempenho. Uma vasta gama de motores Spindle está disponível e todos prontos para suportar as necessidades diversificadas de máquinas-ferramenta. |
Documentos
Este produto é um motor Spindle da série SJ-V da Mitsubishi Electric. O status do produto do fabricante é “Descontinuado”. Entre em contato para mais informações.


