Visão geral
Motor spindle com eixo reto e encoder absoluto integrado tipo 2, da linha SJ-V da Mitsubishi Electric. Projetado para alta velocidade com rolamentos de alto desempenho, este motor oferece potência nominal de 15kW e opera em classe de tensão de 400Vac. Possui torque nominal de 70Nm e velocidade de rotação nominal de 1500rpm, com capacidade máxima de 8000rpm.
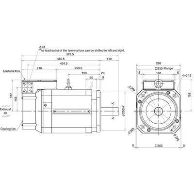
Com flange de montagem de 250x250mm com fixação por pés e grau de proteção IP44, este modelo é adequado para operação em temperaturas ambientes de 0 a 40°C. Seu design incorpora um rolamento de alta velocidade e inércia média, garantindo performance e confiabilidade em aplicações exigentes.
Principais recursos
- Motor Spindle com eixo reto
- Encoder absoluto integrado tipo 2
- Rolamento de alta velocidade
- Potência nominal de 15kW
- Tensão de alimentação 400Vac
- Torque nominal de 70Nm
- Velocidade de rotação de 1500rpm (8000rpm máximo)
- Flange de montagem 250x250mm com fixação por pés
- Grau de proteção IP44
Especificações
| Parâmetro | Valor |
|---|---|
| Marca principal | Mitsubishi Electric |
| Função principal | Servomotor CA |
| Série / Nome da família do produto | Série SJ-V |
| Funções | Motor Spindle |
| Projeto | Eixo reto com encoder absoluto integrado tipo 2, rolamento de alta velocidade, inércia média |
| Tensão de alimentação (CA) | Classe 400Vac |
| Potência ativa nominal (kW) | 15kW |
| Velocidade de rotação | 1500rpm 8000rpm (máxima) |
| Torque | 70Nm nominal |
| Momento de inércia | 0.0575kg.m2 (575kg.cm2) |
| Modo de montagem | Flange de 250x250mm com fixação por pés |
| Grau de proteção | IP44 |
| Dimensões | A333mm x L282mm x P579.5mm |
| Altura líquida (mm) | 333 mm |
| Largura líquida (mm) | 282 mm |
| Profundidade líquida (mm) | 579.5 mm |
| Temperatura do ar ambiente para operação | 0…+40 °C |
| Temperatura do ar ambiente para armazenamento | -20°C…+65 °C |
| Carga radial máxima | 2940 N |
| Código de encomenda / SKU do fabricante | SJ-4-V22-18ZT(M) |
| Status do produto do fabricante | Comercializado |
Documentos
Este produto é um componente Mitsubishi Electric.
Entre em contato para mais informações sobre o Motor Spindle Mitsubishi Electric SJ-V SJ-4-V22-18ZT(M).


