Visão geral
Motor Spindle com eixo reto e encoder absoluto integrado, pertencente à série SJ-V da Mitsubishi Electric. Este motor é projetado para oferecer desempenho confiável em diversas aplicações industriais.
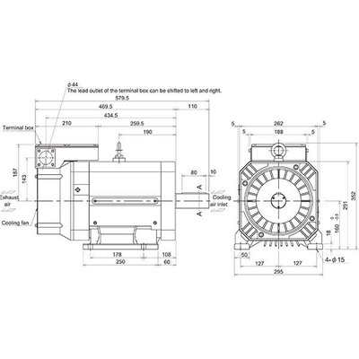
Com uma potência nominal de 15kW e tensão de alimentação de 400VCA, o motor proporciona um torque nominal de 70Nm e uma velocidade rotacional nominal de 1500rpm. Seu design robusto inclui flange de montagem de 250x250mm com fixação por pés, garantindo versatilidade na instalação.
A classificação de proteção IP44 oferece resistência contra a entrada de corpos sólidos e respingos d’água, enquanto a faixa de temperatura ambiente de operação de 0 a 40°C assegura sua operacionalidade em condições ambientais típicas de produção.
Principais recursos
- Eixo reto com encoder absoluto integrado tipo 2
- Potência nominal de 15kW
- Tensão de alimentação de 400VCA
- Torque nominal de 70Nm
- Velocidade rotacional nominal de 1500rpm
- Flange de montagem de 250x250mm com fixação por pés
- Grau de proteção IP44
- Faixa de temperatura ambiente operacional de 0 a 40°C
Especificações
| Parâmetro | Valor |
|---|---|
| Marca principal | Mitsubishi Electric |
| Função principal | Servomotor CA |
| Série / nome da família do produto | Série SJ-V |
| Funções | Motor Spindle |
| Projeto | Eixo reto com encoder absoluto integrado tipo 2, inércia média |
| Tensão de alimentação (CA) | Classe 400VCA |
| Potência ativa nominal (kW) | 15kW |
| Velocidade de rotação | 1500rpm 6000rpm (máxima) |
| Torque | 70Nm nominal |
| Momento de inércia | 0.0575kg.m2 (575kg.cm2) |
| Modo de montagem | Flange de 250x250mm com montagem por pés |
| Grau de proteção | IP44 |
| Dimensões | A352mm x L295mm x P579.5mm |
| Altura líquida (mm) | 352 mm |
| Largura líquida (mm) | 295 mm |
| Profundidade líquida (mm) | 579.5 mm |
| Temperatura do ar ambiente para operação | 0…+40 °C |
| Temperatura do ar ambiente para armazenamento | -20°C…+65 °C |
| Carga radial máxima | 2940 N |
| Código de pedido / SKU do fabricante | SJ-4-V15-18T(M) |
| Status do produto do fabricante | Descontinuado |
Documentos
Observação: O status do produto do fabricante é “Descontinuado”.
Entre em contato para mais informações.



