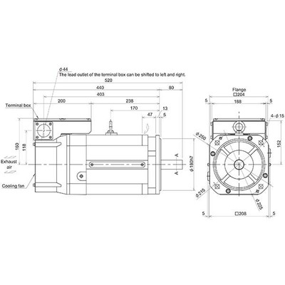
Motor Spindle Mitsubishi Electric SJ-V 7.5kW IP44 Reto Conheça o Motor Spindle Mitsubishi Electric SJ-4-V7.5-13ZT(M), com 7.5kW de potência, eixo reto, encoder absoluto e proteção IP44. Ideal para aplicações CNC de alta performance. ## Visão geral Este motor Spindle da série SJ-V da Mitsubishi Electric é projetado para aplicações de alta velocidade e precisão. Possui um eixo reto com rolamentos de alta velocidade e um feedback absoluto tipo 2 integrado, garantindo um controle posicional exato. Com potência nominal de 7500W (7.5kW) e torque nominal de 35Nm, é adequado para tarefas exigentes. O motor opera em uma classe de tensão de 400Vac e atinge uma velocidade rotacional nominal de 1500rpm, com um máximo de 12000rpm. Seu flange de montagem de 204x204mm com fixação por pés e grau de proteção IP44 o tornam versátil para diversas instalações em ambientes industriais. A temperatura ambiente operacional suportada é de 0 a 40°C. ### Principais recursos * Eixo reto com rolamento de alta velocidade * Encoder absoluto tipo 2 integrado * Potência nominal de 7.5kW * Torque nominal de 35Nm * Velocidade rotacional máxima de 12000rpm * Montagem com flange 204x204mm e fixação por pés * Proteção IP44 ### Especificações | Parâmetro | Valor | | :———————————- | :————————————————- | | Marca principal | Mitsubishi Electric | | Função principal | Servomotor CA | | Série / nome da família do produto | Série SJ-V | | Funções | Motor Spindle | | Projeto | Eixo reto, feedback absoluto integrado, rolamento alta velocidade, inércia média | | Tensão de alimentação (CA) | Classe 400Vac | | Potência ativa nominal (kW) | 7500W / 7.5kW | | Velocidade de rotação | 1500rpm, 12000rpm (máxima) | | Torque | 35Nm nominal | | Momento de inércia | 0.0245kg.m² (245kg.cm²) | | Modo de montagem | Flange 204x204mm com montagem por pés | | Grau de proteção | IP44 | | Dimensões | A269mm x L218mm x P520mm | | Altura líquida (mm) | 269 mm | | Largura líquida (mm) | 218 mm | | Profundidade líquida (mm) | 520 mm | | Temperatura ambiente para operação | 0…+40 °C | | Temperatura ambiente para armazenamento | -20°C…+65 °C | | Carga radial máxima | 980 N | | Código de pedido / SKU do fabricante | SJ-4-V7.5-13ZT(M) | | Status do produto do fabricante | Comercializado | ### Documentos * [Mitsubishi Electric – MELSERVO CNC MDS-D2 series – User manual.pdf](https://cdn.kyklo.co/assets/W1siZiIsIjIwMjIvMDIvMTAvMTUvMDUvMDgvMTM1MGIzNmItYTYxMi00NjNlLWE4MGUtZWNmNzM5ZDJlMDgyL01pdHN1YmlzaGklMjBFbGVjdHJpYyUyMC0lMjBNRUxTRVJWTyUyMENOQyUyME1EUy1EMiUyMHNlcmllcyUyMC0lMjBVc2VyJTIwbWFudWFsLnBkZiJdXQ?sha=65ac5ac141ab667a) Este produto é fabricado pela Mitsubishi Electric. — Entre em contato para mais informações sobre este ou outros produtos. [https://mokka-sensors.com.br/#contato](https://mokka-sensors.com.br/#contato)
Especificações
| Parâmetro | Valor |
|---|---|
| Primary brand | Mitsubishi Electric |
| Main function | AC servo motor |
| Product series / family name | SJ-V series |
| Functions | Spindle motor |
| Design | straight shaft built-in absolute feedback encod. type 2 high-speed bearing medium inertia |
| Supply voltage (AC) | 400Vac class |
| Rated active power (kW) | 7500W / 7.5kW |
| Rotational speed | 1500rpm 12000rpm (maximum) |
| Torque | 35Nm nominal |
| Moment of inertia | 0.0245kg.m2 (245kg.cm2) |
| Mounting mode | 204x204mm flange size with foot mounting |
| Degree of protection | IP44 |
| Dimensions | H269mm x W218mm x D520mm |
| Net Height (mm) | 269 mm |
| Net Width (mm) | 218 mm |
| Net Depth (mm) | 520 mm |
| Ambient air temperature for operation | 0…+40 °C |
| Ambient air temperature for storage | -20°C…+65 °C |
| Maximum radial load | 980 N |
| Order code / Manufacturer SKU | SJ-4-V7.5-13ZT(M) |
| Manufacturer product status | Commercialized |



