Motor Spindle Mitsubishi Electric SJ-V 11kW 400V com Encoder Absoluto e Mancais de Alta Velocidade SJ-4-V11-23ZT(F)

Consulte as Condições de Fornecimento

Conheça o Motor Spindle Mitsubishi Electric SJ-4-V11-23ZT(F), com 11kW e 400V. Ideal para aplicações de alta velocidade e precisão.

SKU: SJ-4-V11-23ZT(F) Categoria: Marca:

Visão geral

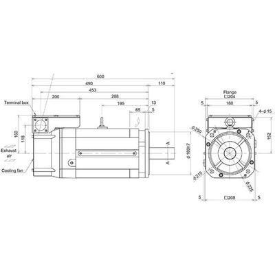
Motor de spindle com eixo reto e encoder absoluto integrado tipo 2. Equipado com rolamentos de alta velocidade e pertencente à série SJ-V da Mitsubishi Electric, este motor oferece desempenho confiável para diversas aplicações industriais.

Com uma potência nominal de 11kW e tensão de alimentação de 400V, o motor entrega torque nominal de 47.7Nm. Sua velocidade rotacional nominal é de 1500rpm, com uma capacidade máxima de até 8000rpm.

Principais recursos

  • Eixo reto com encoder absoluto integrado
  • Rolamentos de alta velocidade
  • Baixa inércia
  • Proteção IP44

Especificações

Parâmetro Valor
Marca principal Mitsubishi Electric
Função principal Servomotor CA
Série / nome da família do produto Série SJ-V
Funções Motor de spindle
Design Eixo reto, encoder absoluto integrado tipo 2, rolamento de alta velocidade, inércia média
Tensão de alimentação (CA) Classe 400VCA
Potência ativa nominal (kW) 11kW
Velocidade de rotação 1500rpm, 8000rpm (máxima)
Torque 47.7Nm nominal
Momento de inércia 0.03kg.m² (300kg.cm²)
Modo de montagem Montagem com flange 204x204mm
Grau de proteção IP44
Dimensões A269mm x L218mm x P600mm
Altura líquida (mm) 269 mm
Largura líquida (mm) 218 mm
Profundidade líquida (mm) 600 mm
Temperatura do ar ambiente para operação 0…+40 °C
Temperatura do ar ambiente para armazenamento -20°C…+65 °C
Carga radial máxima 1470 N
Código de pedido / SKU do fabricante SJ-4-V11-23ZT(F)
Status do produto do fabricante Descontinuado

Documentos

Observação: Este produto está descontinuado.

Para mais informações ou para verificar alternativas, entre em contato conosco.

Entre em contato

Marca

Mitsubishi Electric