Visão geral
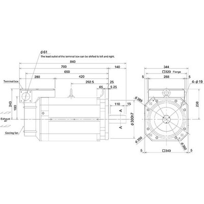
Motor de spindle com eixo reto e encoder absoluto embutido tipo 2 da Mitsubishi Electric, série SJ-V. Possui potência nominal de 45kW e opera em classe de tensão de 200Vac. Projetado para alta performance em diversas necessidades de máquinas-ferramenta, oferece torque nominal de 236Nm e velocidade nominal de 1500rpm.
Este motor é ideal para aplicações que exigem precisão e robustez, com montagem por flange de 320x320mm e grau de proteção IP44. Foi projetado para operar em temperaturas ambientes entre 0 e 40°C, garantindo confiabilidade em condições de trabalho típicas.
Principais recursos
- Eixo reto com encoder absoluto embutido tipo 2
- Potência nominal de 45kW
- Torque nominal de 236Nm
- Velocidade nominal de 1500rpm (máxima de 4500rpm)
- Montagem por flange de 320x320mm
- Grau de proteção IP44
- Tensão de alimentação 200Vac classe
- Inércia média
Especificações
| Parâmetro | Valor |
|---|---|
| Marca principal | Mitsubishi Electric |
| Função principal | Servomotor CA |
| Série / Nome da família do produto | Série SJ-V |
| Funções | Motor de spindle |
| Projeto | Eixo reto com encoder absoluto embutido tipo 2, inércia média |
| Tensão de alimentação (CA) | Classe 200Vac |
| Potência ativa nominal (kW) | 45kW |
| Velocidade de rotação | 1500rpm 4500rpm (máxima) |
| Torque | 236Nm nominal |
| Momento de inércia | 0.34kg.m² (340kg.cm²) |
| Modo de montagem | Montagem por flange de 320x320mm |
| Grau de proteção | IP44 |
| Dimensões | A415mm x L350mm x P840mm |
| Altura líquida (mm) | 415 mm |
| Largura líquida (mm) | 350 mm |
| Profundidade líquida (mm) | 840 mm |
| Temperatura do ar ambiente para operação | 0…+40 °C |
| Temperatura do ar ambiente para armazenamento | -20°C…+65 °C |
| Carga radial máxima | 3920 N |
| Código de pedido / SKU do fabricante | SJ-V45-01T(F) |
| Status do produto do fabricante | Descontinuado |
Documentos
Este produto é um motor de alta performance da série SJ-V da Mitsubishi Electric. Devido ao status de descontinuado, recomenda-se verificar a disponibilidade e possíveis substituições compatíveis.
Para mais informações ou para discutir suas necessidades, entre em contato conosco: mokka-sensors.com.br/#contato.



