Visão geral
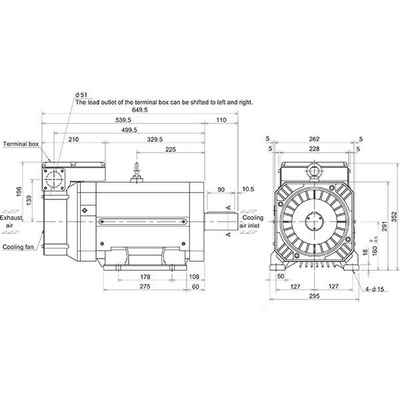
Motor spindle com eixo reto e encoder absoluto integrado tipo 2, da série SJ-V da Mitsubishi Electric. Projetado para fornecer saída constante em ampla faixa, este motor de média inércia possui potência nominal de 15kW e é adequado para classe de tensão de 400Vac. Apresenta torque nominal de 140Nm e velocidade nominal de 750rpm.
Com flange de montagem de 250x250mm e base para fixação por pés, o motor oferece grau de proteção IP44, garantindo resistência contra poeira e jatos d’água. Opera em temperaturas ambientes de 0 a 40°C, sendo uma solução robusta e confiável para ambientes industriais exigentes.
Principais recursos
- Motor Spindle com eixo reto
- Encoder absoluto integrado tipo 2
- Saída constante em ampla faixa
- Potência nominal de 15kW
- Tensão de alimentação 400Vac
- Torque nominal de 140Nm
- Velocidade nominal de 750rpm (máxima de 6000rpm)
- Flange de montagem 250x250mm com fixação por pés
- Grau de proteção IP44
- Operação em temperatura ambiente de 0…+40 °C
Especificações
| Parâmetro | Valor |
|---|---|
| Marca principal | Mitsubishi Electric |
| Função principal | Servomotor CA |
| Série / nome da família do produto | Série SJ-V |
| Funções | Motor Spindle |
| Projeto | Eixo reto com encoder absoluto integrado tipo 2, saída constante em ampla faixa, média inércia |
| Tensão de alimentação (CA) | Classe 400Vac |
| Potência ativa nominal (kW) | 15kW |
| Velocidade de rotação | 750rpm / 6000rpm (máxima) |
| Torque | 140Nm nominal |
| Momento de inércia | 0,08kg.m² (800kg.cm²) |
| Modo de montagem | Flange de 250x250mm com montagem por pés |
| Grau de proteção | IP44 |
| Dimensões | A352mm x L295mm x P703,5mm |
| Altura líquida (mm) | 352 mm |
| Largura líquida (mm) | 295 mm |
| Profundidade líquida (mm) | 703,5 mm |
| Temperatura ambiente para operação | 0…+40 °C |
| Temperatura ambiente para armazenamento | -20°C…+65 °C |
| Carga radial máxima | 2940 N |
| Código de pedido / SKU do fabricante | SJ-4-V22-16WT(M) |
| Status do produto do fabricante | Comercializado |
Documentos
Este produto é fabricado pela Mitsubishi Electric.
Para mais informações ou para discutir suas necessidades, entre em contato conosco.



